SQDA180速閉啟閉機安裝、接線、速閉啟閉機原理圖。
(一)、安裝前準備。
1.安裝速閉啟閉機之前,應模擬啟閉機絲桿軸線,按閘門安裝使用說明先安裝好閘門。
2.清理現場及預埋件表面渣質,復核土建,如土建誤差超出規定范圍應采取返工等相應補救措施,確保順利安裝。
3.按5噸吊重,制訂現場吊裝方案及安全預案,室內可采用三角吊架,做到安全文明施工。
4.分別將速閉機本體及絲桿搬運至現場擱實,特別注意:絲桿為高精度加工件,應做到防變形、防碰撞、防碎等。
5.自備速閉啟閉機平臺的,應在安裝前將平臺校裝到位。
(二)、吊裝1.先將絲桿垂直吊立于井中,如遇分段絲桿,應遵循由下至上的原則逐一吊入并聯接。具備條件的可在地面上將絲桿先聯接好再垂直吊入井中,與閘門聯接的銷套應朝下方。
2.如閘門井較深,按規范應配置軸導架,此時應將軸導架中的腰形法蘭先套于絲桿上,如絲桿有接頭,注意避開接頭安裝軸導架。
3.吊垂線至閘門吊耳中心,確定啟閉機正確位置(允許誤差1/1000, 總誤差小于5 mm),將啟閉機本體吊裝到位,再將預埋板與啟閉機臨時固定,防止碰翻,產生事故。
4.拆開啟閉機螺母兩端封蓋(如有的話),將絲桿穿入啟閉機螺母中,切換手柄至手搖位置,搖動手輪將絲桿旋入其中,搖出啟閉機直至絲桿下端可與閘門吊耳聯結。
5.校正絲桿垂直度3 mm,啟閉機水平度1 mm。將閘門吊耳銷軸穿入到絲桿下軸孔中,插上開口銷并分開銷腳。
6.按手動操作要求提升閘門一次應靈活無異常情況,固定速閉啟閉機(與預埋件焊牢并緊固螺栓),之后固定所有軸導架,同時確定上限位置。
7.將閘門下落至最底部(關閉),套上防塵罩,同時確定下限位置。
8.安裝緩沖器(1).將緩沖器吊起,扳動緩沖器上部四角頭,將緩沖器旋緊在絲桿頂端。
(2).調節緩沖座,直至緩沖座上部與緩沖器下部完全接觸(在閘門落至最底部情況下),旋1~2圈(略微受力)。
9.聯接防塵罩,并用聯接件固定,手輪操作上升,觀察緩沖器是否喲卡阻等異常情況,否則應按排故方案排故。
10.檢查各部螺栓應緊固聯接,傳動應靈活,全行程無干涉,補修過程破損,清理現場。
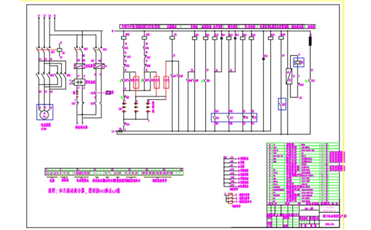
(三)、接線1.接線說明。
(1).電源進線:~380V,50HZ,四芯動力線。
(2).電箱至遙控:計14芯,其中2芯4~20mA需屏蔽,其余為控制線。
(3).電箱至電動裝置部分:計9芯,其中3芯為動力線。
(4).電箱至機座底部上限位:計3芯控制線。
(5).電箱至電磁制動器:計2芯控制線(24V,5A)。
(6).制動器護罩至電箱,開度脈沖用:計3芯控制線。

本文來自于:www.huahongsheng.com